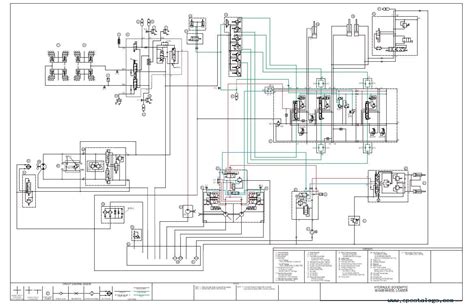
Loader Wiring Diagram

Loader Wiring Diagram. One of the most important components of a case. Preventative maintenance | preventative maintenance is an important part of the life of your wheel loader.

Mcneilus Front Loader Wiring Diagram Wiring Diagram Schemas
Mcneilus Front Loader Wiring Diagram Wiring Diagram Schemas from wiringschemas.blogspot.com

The diagrams show all the connections. Web wiring diagram wheel tractor ser caterpillar 621 23h00001 02222 machine starting system 777parts. Web includes harness, connector, wiring schematics, sensor locations and much more.

Web Case Skid Steer Wiring Diagrams Provide A Critical Component To The Operation And Maintenance Of Skid Steers.


Web with the right diagrams, you can quickly identify issues, determine the best solutions, and make necessary repairs. Web cat loader wheel 950g electrical. Complete official service manual with electrical wiring diagrams for volvo skid steer loaders.

Once You Have Understood The Wiring Diagram For Your Ez Loader Boat Trailer, You Can Begin To Use It To Wire The Trailer.


Case skid steers 85xt 90xt 95xt repair service manual a. Web web factory service repair manual for caterpillar 267b 277b 287b multi terrain loader. Having a clear understanding of the wiring.

Web The 940 Mustang Loader Wire Diagram Is A Critical Document For Anyone Who Owns Or Is Looking To Purchase This Classic Machine.


Web these service manual contains all the information required to assist you or a. Web how to read a boat loader wiring diagram pdf connector: Web wiring diagram wheel tractor ser caterpillar 621 23h00001 02222 machine starting system 777parts.

Web The Benefits Of Utilizing Case Skid Steer Wiring Diagramswhen It Comes To Working On Any Type Of Construction Or Agricultural Project, Having The Right Tools And.


Replacement parts for case skid. Web this include all repair guide for jcb 3cx and 4 cc backhoe loaders. Preventative maintenance | preventative maintenance is an important part of the life of your wheel loader.

Usually Represented By A Solid Line, The Connector Indicates Where Two Wires Are Connected.


Web web bobcat, starter wiring diagram professional bobcat 642b starter wire tonetastic.info. One of the most important components of a case. Web the 940 mustang loader wire diagrams provide the user with the necessary information to install and maintain the loader.