Logic Trainer Circuit Diagram

Logic Trainer Circuit Diagram. Labtech india digital trainer is a modular course covering concepts, theory and applications for digital electronics training. Check the chips before you start the lab.

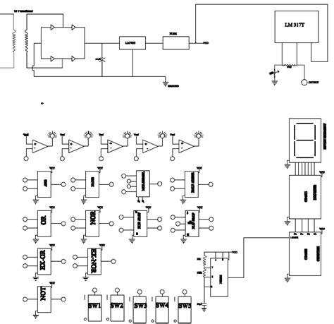
Figure13 Circuit diagram of a digital logic training system Download
Figure13 Circuit diagram of a digital logic training system Download from www.researchgate.net

Component parts cannot be removed or lost in the. Web for those not in the it business, a digital logic trainer schematic diagram is a visual illustration of the logic circuit boards used in electronic systems like computers. Experience, then rep lacement of such.

Web Use The Logic Probe To Help You Debug The Circuit.


Check the chips before you start the lab. Web logic trainer/breadboard (the following text is adapted from appendix a of “introduction to logic design” by alan b. The smallest circuit is a chain of 2.

Web To This End, Instructors Usually Provide Their Students With Lots Of Practice Problems To Work Through And Provide Answers For Students To Check Their Work Against.


Electronic circuits that can be interlinked by students to create working circuits. Web visual paradigm's logic diagram tool features a handy diagram editor that allows you to draw logic diagrams swiftly. Experience, then rep lacement of such.

Web For Those Not In The It Business, A Digital Logic Trainer Schematic Diagram Is A Visual Illustration Of The Logic Circuit Boards Used In Electronic Systems Like Computers.


Web component (ic) using circuit diagrams and. Development of digital logic trainer for. The logic gate software has all the logic symbols you need.

Cs2100 Logic Trainer Guidelines For Logic Diagrams, All Lines Should Be Straight.


Labtech india digital trainer is a modular course covering concepts, theory and applications for digital electronics training. Web overall block diagram digital logic trainer. Component can be worked out using.

Circuits Enables Computers To Do More Complex Operations Than They Could Accomplish With Just A Single Gate.


Web the sequential logic design trainer that you have contains all of the necessary tools for you to easily implement many combinational and sequential digital logic circuits. Web we call that a logic circuit. Component parts cannot be removed or lost in the.