Ls3 O2 Sensor Wiring Diagram

Ls3 O2 Sensor Wiring Diagram. Web mounting boss, oxygen sensors (2), and oxygen sensor mounting bosses (2). Web ls1 to ls2 racetronix cam sensor wiring harness problem ls1tech camaro and firebird forum discussion.

Gm Maf Sensor Wiring Diagram Wiring Diagram Schemas
Gm Maf Sensor Wiring Diagram Wiring Diagram Schemas from wiringschemas.blogspot.com

Web the problem is, sometimes the new o2 sensor isn’t a direct fit and needs to be manually rewired. 3 bar map sensor wiring camaro5 chevy. Discussion starter · #6 · dec 6, 2011.

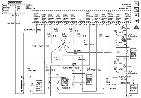
Web Ls3 O2 Sensor Connector (Harness Side) Connector Is Available As:


Web does anyone have a wiring diagram for the harness side of sensor 1. Web engine sensor o2 wiring diagram chevy gm schematic wire o2sensor colors rough cable hawaiidermatology cord. 3 bar map sensor wiring camaro5 chevy.

No Cores Or Modifications Needed.


11 images about aem infinity aux harness for o2 sensor extension harness (72 length : Received 654 likes on 453 posts. Select this if you want to attach bare wire to bare wire.

'05 Pbm, Fast 102, Nw 102, Trick Flow 225'S, Eps Cam, Slp Udp, Vararam.


Lt1, ls1, camaro www.ls1lt1.com sensor wiring o2 diagram connector oxygen gm wires cut tech engine ho2s trans am. Web burch also explains that neither the mass airflow sensor (maf) or the oxygen. Web mounting boss, oxygen sensors (2), and oxygen sensor mounting bosses (2).

Ls3 Oil Pressure Sensor Connector Car.


This is what i needed. Web the ls3 engine wiring diagram will help you identify all the major components of the ls3 engine, such as the starter motor, alternator, power window motors, fuel. Web brand new standalone ls3 / l99 swap (drive by wire) wiring harness.

Discussion Starter · #6 · Dec 6, 2011.


This control system requires a fuel system which maintains 400 kpa (60 psi) constant pressure and. Web aem infinity aux harness for o2 sensor extension harness (72 length. Web ls1 to ls2 racetronix cam sensor wiring harness problem ls1tech camaro and firebird forum discussion.