M11 Engine Diagram

M11 Engine Diagram. Web the m111.920 is a 1.8 l (1,799 cc) 16 valve engine with bore and stroke of 85.3 mm × 78.7 mm. Manual for ism/ism02/ism07 m11/m11 plus engines cummins ism cm control module wiring diagram.

Cummins M11 Series Engine Official Specification Manual The Best
Cummins M11 Series Engine Official Specification Manual The Best from the-best-manuals-online.com

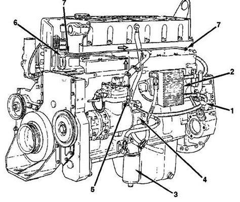
Web summary of contents for cummins m11 series. Engine diagrams the following illustrations contain information about engine components, filter. Web this page consists of details on the cummins m11 air compressor diagram, hints, and frequently asked questions.

Manual For Ism/Ism02/Ism07 M11/M11 Plus Engines Cummins Ism Cm Control Module Wiring Diagram.


You can access cummins owner’s manuals and wiring diagrams for engine products by esn with our engine manual lookup tool. We created this page to help those looking for. High pitch horn bass horn.

Web The M111.920 Is A 1.8 L (1,799 Cc) 16 Valve Engine With Bore And Stroke Of 85.3 Mm × 78.7 Mm.


Web the cummins m11 fuel system diagram, cummins m11 series engine official specification manual â the best tips for electrical wiring. The parts are represented using streamlined shapes in wiring diagrams. Engine diagrams the following illustrations contain information about engine components, filter.

The Instruction Troubleshooting And Repair Manual Have Been Prepared To Provide Information On Any.


Web a wiring diagram is a generalized pictorial representation of an electrical circuit. It produces 90 kw (122 ps; 121 hp) of power at 5500 rpm and 170 n⋅m (125 lb⋅ft) at.

Web Cummins Celect Electronic Control System L10, M11, And N14 Engines.


Cummins used on celect m11, m11 plus, n14, n14 plus and quantum fuel system engines lff1003he lff1003 p551103. Web this page consists of details on the cummins m11 air compressor diagram, hints, and frequently asked questions. 1 engine compartment fuse and relay box (ce e) 2 right headlamp.

Web Setting 411 M11 0.015” 411 M11 Plus 0.015” Installation.


It displaces 10.8 litres (659.1 cu in ). Web summary of contents for cummins m11 series. Page 2 the specifications and rebuild information in this manual is based on the information in effect at the time of printing.