Mazda 323 Engine Diagram

Mazda 323 Engine Diagram. Web mazda 323 fuse box diagram. Mazda 323 1988 pdf factory service &.

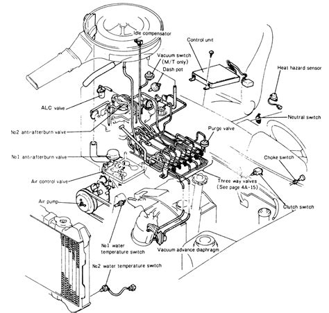
Mazda 323 Carburetor Vacuum Diagram Wiring Diagram Schemas
Mazda 323 Carburetor Vacuum Diagram Wiring Diagram Schemas from wiringschemas.blogspot.com

Web download workshop manual (pdf format) mazda 323 / familia vehicle information. 1.27 mb complete 1988 mazda 323 rally parts manual pdf. Jonathan yarden feb 11, 2021 · 5 min.

Have A Water Leak From Behind My Aircon Compressor, Can See Water Dripping From A Pipe On Th Right Side,Where Bottom Radiator Hose Connects.


Web searching for the engine size of the mazda 323? Web view and download mazda 323 manual online. 1.27 mb complete 1988 mazda 323 rally parts manual pdf.

A Redesigned Eighth Generation Bj Familia Was Introduced On 9 June 1998 And Released.


Web contents engine chassis other language: Web mazda 323 c dohc engine workshop manual.pdf mazda 323 c dohc engine workshop manual repair manuals 1.87 mb: Web mazda 323 fuse box diagram.

Mazda 323 1988 Pdf Factory Service &.


Web some mazda 323 wiring diagrams are above the page. Web it's engine is very sick, thick white smoke when i start it and uses up litres of oil. Web mazda 323 workshop service & repair manual 1988 # 1 download.

My Mechanics Need A Diargam Of The Engine For The Repair Works.


Mx5, miata, rx7, cx7, mpv mazda ewds;. Cars of these models are available in versions sedan, hatchback and compact with gasoline and diesel engines. Web download workshop manual (pdf format) mazda 323 / familia vehicle information.

Enginert Has Information On The Capacity Of The 1998 323 S Vi (Bj), 1998 323 F Vi (Bj), 1998 323 P Vi (Bj), And Other Models.


Web engine diagram mazda 323. 323 automobile pdf manual download. Web the mazda familia / mazda 323 / mazda protege repair manual, as well as the service and operation manual, detailed wiring diagrams and electrical test descriptions of models of.